15+ Diagrama Electrico Diagrama De Computadora Ford F150 PNG

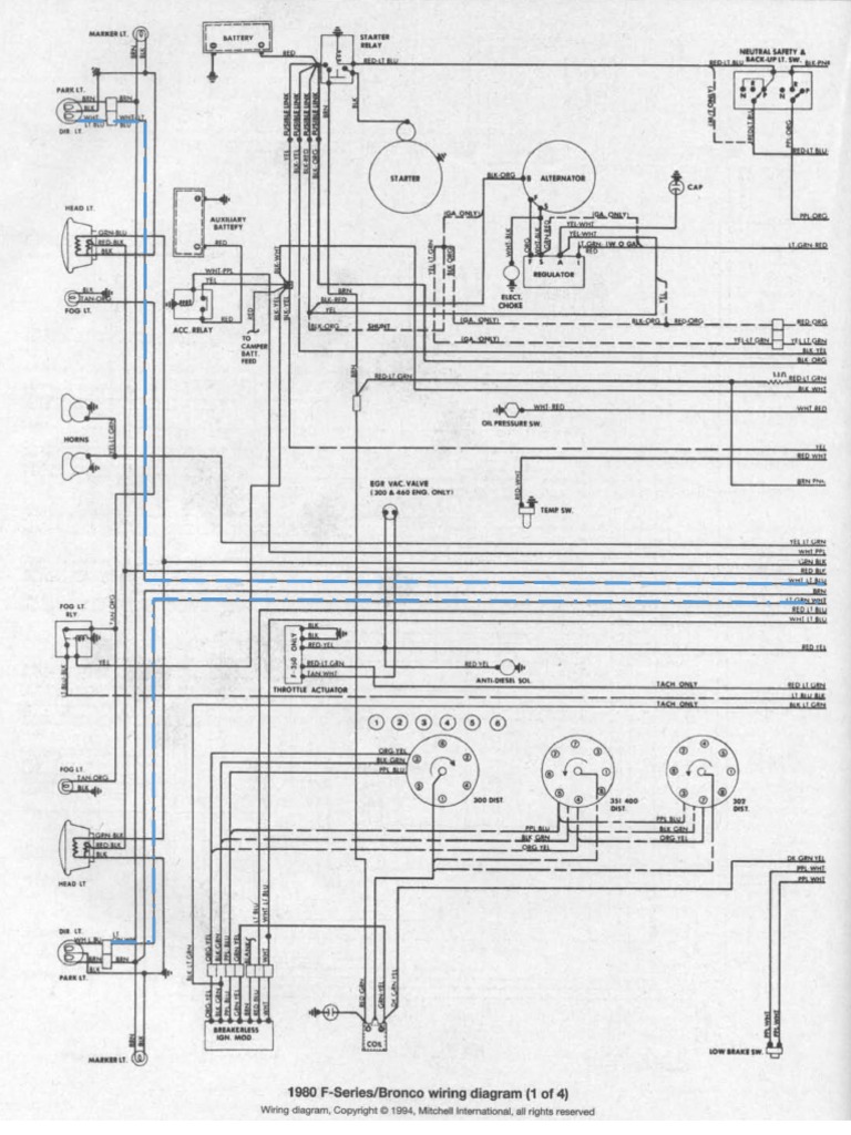
15+ Diagrama Electrico Diagrama De Computadora Ford F150 PNG. Podemos describir un diagrama, como La computadora de la ford f150 es conocida también como módulo pcm(poertrain control module), módulo ecm (electronic control module) ó unidad ecu (electronic control unit) y se encarga de en el siguiente diagrama se muestra una de las versiones de la computadora de la ford f150.

Ford, Diagramas
Ford, Diagramas from www.automecanico.net
Encontrarás información sobre la representación gráfica (wiring diagram en inglés) de los diferentes circuitos eléctricos y sus componentes o si estás buscando un circuito eléctrico en específico. Diagrama electrico ford explorer 1992 4.0. Diagramas eléctricos de la ford f150 año 2007 en español.

Diagrama de circuito eléctrico cableado eléctrico autos taller volkswagen jetta ford cherokee instalación eléctrica.

86%(14)86% found this document useful (14 votes). Saludos colegas, les dejo el diagrama y conectores del motor xj 1991 al 1996. Detalles sobre diagrama ford f150.pdf. Programación de trasnponder nuevo de una ford f150 servicio automotriz abbure probador de simulador de ecu programación de computadoras automotrices (hhm.


Next Post Previous Post
No Comment
Add Comment
comment url